สินค้า
API เช็ควาล์ว
  • API เช็ควาล์วAPI เช็ควาล์ว

API เช็ควาล์ว

วาล์วตรวจสอบ API คุณภาพสูงของ Jinqiu Valve ตรงตามมาตรฐาน ASME, API และ GB ด้วยการติดตั้งศูนย์เครื่องจักรกล CNC ขั้นสูงและอุปกรณ์ตัดโลหะ บริษัทใช้เทคโนโลยี CAD/CAM ในการออกแบบและการผลิตผลิตภัณฑ์ โดยปฏิบัติตามมาตรฐาน ISO9001 เพื่อรับรองความแม่นยำและคุณภาพของชิ้นส่วนเช็ควาล์ว API

Jinqiu Valve ผู้ผลิตเช็ควาล์วมืออาชีพในประเทศจีน เช็ควาล์ว API ของเราได้รับการออกแบบและผลิตตามมาตรฐานอเมริกาทั้งหมด วาล์วเหล่านี้มีโครงสร้างที่สวยงามสวยงามและเทคโนโลยีขั้นสูง เช็ควาล์ว API จะเปิดและปิดจานวาล์วโดยอัตโนมัติตามการไหลของตัวกลางเพื่อป้องกันการไหลย้อนกลับ เรียกอีกอย่างว่าวาล์วทางเดียว เช็ควาล์ว หรือวาล์วไหลย้อน หน้าที่หลักคือป้องกันการไหลย้อนกลับของตัวกลาง ป้องกันการกลับตัวของปั๊มและมอเตอร์ขับเคลื่อน และป้องกันการรั่วซึมของตัวกลางภายในภาชนะ


1. ความต้านทานการไหลต่ำ: เมื่อเช็ควาล์ว API เปิดเต็มที่ เส้นทางการไหลแทบไม่มีสิ่งกีดขวาง ส่งผลให้แรงดันตกต่ำ
2. การปิดอย่างรวดเร็วและการป้องกันการไหลย้อนกลับ: การทำงานของคันโยกของจานวาล์วช่วยให้สามารถตอบสนองและการปิดได้อย่างรวดเร็วแม้ในขณะที่เริ่มมีการไหลย้อนกลับ
3. การบังคับใช้ที่กว้าง: เหมาะสำหรับเส้นผ่านศูนย์กลางท่อที่หลากหลายตั้งแต่ DN50 ถึง DN1200 ขึ้นไป

พารามิเตอร์ประสิทธิภาพ

หมายเลขซีเรียล ชื่อโครงการ พารามิเตอร์
1 ความดันที่กำหนด PN (MPa) 150 ปอนด์ 300 ปอนด์ 600 ปอนด์ 900 ปอนด์ 1,500 ปอนด์ 2,500 ปอนด์
2.0 5.0 10.0 15.0 25.0 42.0
2 แรงดันทดสอบความแข็งแรงของเปลือก ความดันปกติที่อุณหภูมิห้อง 1.5 เท่า
3 แรงดันทดสอบการซีลแรงดันสูง ความดันปกติที่อุณหภูมิห้อง 1.1 เท่า
4 แรงดันใช้งานที่อุณหภูมิห้อง กดระดับความดันและอุณหภูมิ ASME B16.34

ข้อมูลจำเพาะของผลิตภัณฑ์

มาตรฐานการออกแบบ ความยาวโครงสร้าง ขนาดการเชื่อมต่อหน้าแปลน การทดสอบและตรวจสอบ การอ้างอิงความดันและอุณหภูมิ
API6D/ASME B16.34 ASME B16.10 ASME B16.5 API598/API6D ASME B16.34

วัสดุชิ้นส่วนหลัก

ชื่อชิ้นส่วน ชื่อวัสดุ
ร่างกาย A216 WCB A217 WC6 เอ351 ซีเอฟ8 เอ351 CF8M เอ351 ซีเอฟ3 A351 CF3M
หมวก A216 WCB A217 WC6 เอ351 ซีเอฟ8 เอ351 CF8M เอ351 ซีเอฟ3 A351 CF3M
แผ่นวาล์ว A216 WCB A217 WC6 เอ351 ซีเอฟ8 เอ351 CF8M เอ351 ซีเอฟ3 A351 CF3M
พื้นผิวการปิดผนึก 13Cr/STL เอสทีแอล ตัว/STL ตัว/STL ตัว/STL ตัว/STL
เพลาวาล์ว A182 F6a A182 F11 A182 F304 A182 F316 A182 F304L A182 F316L
ปะเก็น กราไฟท์ที่มีความยืดหยุ่น กราไฟท์ที่มีความยืดหยุ่น กราไฟท์ที่มีความยืดหยุ่น กราไฟท์ที่มีความยืดหยุ่น กราไฟท์ที่มีความยืดหยุ่น กราไฟท์ที่มีความยืดหยุ่น
สายฟ้า A193 B7 A193 B16 A193 B8 A193 บี8เอ็ม A193 B8 A193 บี8เอ็ม
นัท A194 2H A194 4 A194 8 A194 8M A194 8 A194 8M
อุณหภูมิในการทำงาน -29~425℃ -29~540℃ -46~425℃ -46~425℃ -46~425℃ -46~425℃
สื่อที่เหมาะสม ไอน้ำ ไอน้ำ มีฤทธิ์กัดกร่อนอ่อน มีฤทธิ์กัดกร่อนอ่อน มีฤทธิ์กัดกร่อนอ่อน มีฤทธิ์กัดกร่อนอ่อน

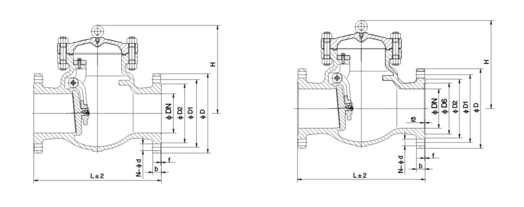
รูปร่างหลักและขนาดการเชื่อมต่อ

เส้นผ่านศูนย์กลางที่กำหนด ขนาด
m ใน L D D1 D2 b f n-Φd H
H44H-150Lb
50 2 203 152 120.5 92 16 1.6 4-19 180
80 3 241 192 152.5 127 19 1.6 4-19 190
100 4 297 229 190.5 157 24 1.6 8-19 203
125 5 330 254 216 186 24 1.6 8-22 229
150 6 356 279 241.5 216 26 1.6 8-22 257
200 8 495 342 298.5 270 29 1.6 8-22 292
250 10 622 406 362 324 31 1.6 12-25 355
300 12 698 483 432 381 32 1.6 12-25 396
H44H-300Lb
50 2 267 165 127 92 23 1.6 8-19 178
80 3 318 210 168.5 127 29 1.6 8-22 216
100 4 356 254 200 157 32 1.6 8-22 241
125 5 400 279 235 186 35 1.6 8-22 267
150 6 444 318 270 216 37 1.6 12-22 305
200 8 533 381 330 270 42 1.6 12-25 368
250 10 622 445 387 324 48 1.6 16-29 394
300 12 711 521 451 381 51 1.6 16-32 445
H44H-600Lb
50 2 295 165 127 92 33 6.4 8-19 203
80 3 359 210 168 127 36 6.4 8-22 235
100 4 435 273 216 157 45 6.4 8-25 286
125 5 511 330 266.5 186 52 6.4 8-29 292
150 6 562 356 292 216 55 6.4 12-29 330
200 8 664 419 349 270 63 6.4 12-32 381
250 10 791 510 432 324 71 6.4 16-35 457
300 12 842 559 489 381 74 6.4 20-35 584

ภาพโครงสร้าง

แท็กยอดนิยม: API เช็ควาล์ว, จีน, ปรับแต่ง, คุณภาพ, ทนทาน, ขั้นสูง, ผู้ผลิต, ผู้จัดจำหน่าย, โรงงาน, ในสต็อก
ส่งคำถาม
ข้อมูลติดต่อ
  • ที่อยู่

    No.1, North 1st Road, Stainless Steel New Town, Lecong Steel World West Road, Shunde District, Foshan City, มณฑลกวางตุ้ง, จีน

  • อีเมล

    jinqiufamen@gmail.com

หากมีข้อสงสัยเกี่ยวกับเกทวาล์ว โกลปวาล์ว และเช็ควาล์ว หรือรายการราคา กรุณาส่งอีเมลมาหาเรา แล้วเราจะติดต่อกลับภายใน 24 ชั่วโมง

X
เราใช้คุกกี้เพื่อมอบประสบการณ์การท่องเว็บที่ดีขึ้น วิเคราะห์การเข้าชมไซต์ และปรับแต่งเนื้อหาในแบบของคุณ การใช้ไซต์นี้แสดงว่าคุณยอมรับการใช้คุกกี้ของเรา นโยบายความเป็นส่วนตัว
ปฏิเสธ ยอมรับ