สินค้า
GB โกลบวาล์วมาตรฐาน
  • GB โกลบวาล์วมาตรฐานGB โกลบวาล์วมาตรฐาน

GB โกลบวาล์วมาตรฐาน

โกลปวาล์วมาตรฐาน J41H, J41Y และ J41W ชนิด GB คุณภาพสูงและปรับแต่งได้นั้นผลิตโดย JQF Valve ซึ่งเป็นผู้ผลิตวาล์วมืออาชีพในประเทศจีน ส่วนเปิดและปิดเป็นแผ่นวาล์วทรงกระบอก และพื้นผิวการซีลเป็นแบบแบนหรือทรงกรวย แผ่นวาล์วเคลื่อนที่เป็นเส้นตรงตามแนวกึ่งกลางของของไหล โกลปวาล์วมาตรฐาน GB เหมาะสำหรับการใช้งานแบบเปิดสุดหรือแบบปิดสุดเท่านั้น และโดยทั่วไปจะไม่ใช้สำหรับการควบคุมการไหล แต่การควบคุมการไหลและการควบคุมปริมาณสามารถทำได้ตามความต้องการของลูกค้า
Foshan Jinqiu Valve Co., Ltd. is a manufacturing factory integrating valve R&D, manufacturing, sales, and service. Our durable GB standard globe valves are specifically designed for oxygen pipelines, ensuring safe, stable, and efficient operation. Made from high-quality materials and undergoing rigorous degreasing and cleaning processes, these valves effectively prevent combustion risks and guarantee reliable sealing performance.

โกลปวาล์วมาตรฐาน GB ในสต็อกเหมาะสำหรับช่วงแรงดัน PN1.6-PN16 และขนาด DN15-DN400 ซึ่งมักใช้ในอุตสาหกรรมโลหะวิทยา เคมี ก๊าซทางการแพทย์ และพลังงาน

คุณสมบัติโครงสร้าง

เราสร้างสรรค์นวัตกรรมและแสวงหาความเป็นเลิศอย่างต่อเนื่อง ก้าวให้ทันยุคสมัยด้วยโกลปวาล์วมาตรฐาน GB คุณภาพสูงและการบริการลูกค้าที่โดดเด่น! เราแนะนำอุปกรณ์ที่ทันสมัย ​​การจัดการองค์กร และบุคลากรบริการด้านเทคนิคอย่างจริงจัง โดยมุ่งมั่นที่จะสร้างแบรนด์วาล์วคุณภาพสูงในประเทศและต่างประเทศ เรายินดีต้อนรับลูกค้าใหม่และลูกค้าเก่าเพื่อเยี่ยมชมและตรวจสอบสิ่งอำนวยความสะดวกของเรา ให้ความร่วมมือเพื่อผลประโยชน์ร่วมกัน และร่วมกันสร้างอนาคตที่ดีกว่า!

มาตรฐานผู้บริหาร

ข้อกำหนดการออกแบบ: GB / T 12235
ความยาวโครงสร้าง: GB / T 12221
การเชื่อมต่อหน้าแปลน: JB / T 79
การทดสอบและตรวจสอบ: JB / T 9002
การระบุผลิตภัณฑ์: GB / T 12220
ข้อกำหนดการจัดส่ง: JB / T 7928

คุณสมบัติ

1. โครงสร้างที่คล่องตัวและปรับให้เหมาะสม: การออกแบบที่เรียบง่ายช่วยปรับปรุงการผลิตส่วนประกอบและประสิทธิภาพการบำรุงรักษาอุปกรณ์ได้ถึง 30% 2. การควบคุมการเปิดและปิดทันที: การออกแบบโครงสร้างไมโครจังหวะทำให้ได้รับความเร็วตอบสนองการเปิดและปิดที่ 0.8 วินาทีต่อรอบ 3. ระบบการปิดผนึกที่ยาวนาน: เทคโนโลยีพื้นผิวการปิดผนึกแบบหล่อลื่นตัวเองทำให้ได้ค่าสัมประสิทธิ์แรงเสียดทานต่ำเป็นพิเศษ ชั้นปิดผนึกคอมโพสิตมีอายุการใช้งานต่อต้านริ้วรอยเกิน 50,000 รอบการเปิดและปิด

พารามิเตอร์ประสิทธิภาพ

แบบอย่าง J41H-16C~160C J41Y-16C~160C J41W-16P~160P
แรงกดดันในการทำงาน (MPa) 1.6~16.0
อุณหภูมิที่เหมาะสม (℃) ≤425 ≤150
สื่อที่เหมาะสม น้ำ ไอน้ำ น้ำมัน ตัวกลางที่มีฤทธิ์กัดกร่อนอ่อน
วัสดุ ร่างกาย, ฝากระโปรงหน้า เหล็กกล้าคาร์บอน สแตนเลสโครเมียมนิกเกิลไทเทเนียม
ก้านวาล์ว โครเมี่ยมสแตนเลส สแตนเลสโครเมียมนิกเกิลไทเทเนียม
พื้นผิวการปิดผนึก การชุบผิวโลหะผสมที่มีเหล็กเป็นส่วนประกอบหลัก โลหะผสมแข็ง วัสดุตัวเครื่อง
ฟิลเลอร์ กราไฟท์ใยหิน, กราไฟท์ยืดหยุ่น, PTFE

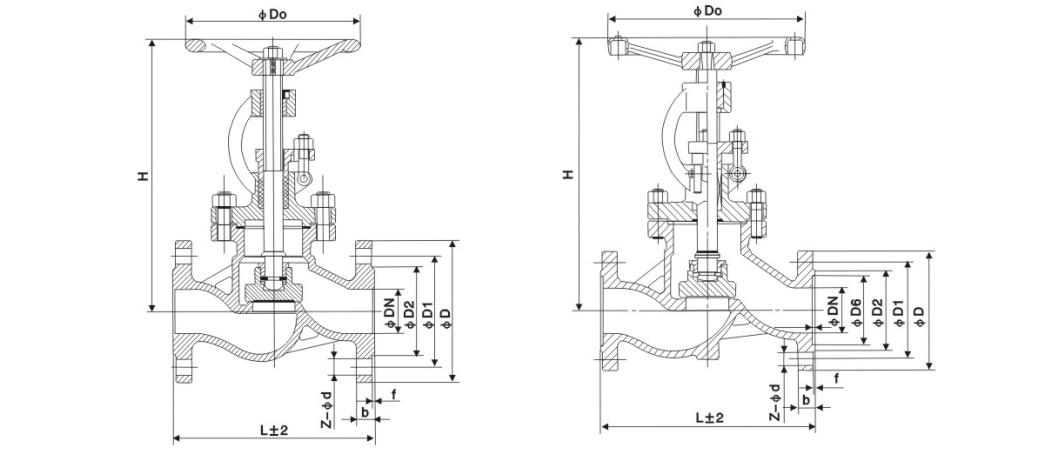
รูปร่างหลักและขนาดการเชื่อมต่อ

เส้นผ่านศูนย์กลางที่กำหนด ขนาดหลักและขนาดการเชื่อมต่อ
L D D1 D2 b Z-d H D0
เจ41H-16C
15 130 95 65 45 14-2 4-Φ14 170 120
20 150 105 75 55 14-2 4-Φ14 190 140
25 160 115 85 65 14-2 4-Φ14 205 160
32 180 135 100 78 16-2 4-Φ18 270 180
40 200 145 110 85 16-3 4-Φ18 310 200
50 230 160 125 100 16-3 4-Φ18 358 240
65 290 180 145 120 18-3 4-Φ18 373 240
80 310 195 160 135 20-3 8-Φ18 435 280
100 350 215 180 155 20-3 8-Φ18 500 300
125 400 245 210 185 22-3 8-Φ18 614 320
150 480 280 240 210 24-3 8-Φ23 674 360
200 600 335 295 265 26-3 12-Φ23 811 400
250 650 405 355 320 30-3 12-Φ25 969 450
300 750 460 410 375 30-3 12-Φ25 1145 580
350 850 520 470 435 34-4 16-Φ25 1280 640
400 980 580 525 485 36-4 16-Φ30 1452 640
J41H-25C
15 130 95 65 45 16-2 4-Φ14 170 120
20 150 105 75 55 16-2 4-Φ14 190 140
25 160 115 85 65 16-2 4-Φ14 205 160
32 180 135 100 78 18-2 4-Φ18 270 180
40 200 145 110 85 18-3 4-Φ18 310 200
50 230 160 125 100 20-3 4-Φ18 358 240
65 290 180 145 120 22-3 8-Φ18 373 240
80 310 195 160 135 22-3 8-Φ18 435 280
100 350 230 190 160 24-3 8-Φ23 500 300
125 400 270 220 188 28-3 8-Φ25 614 320
150 480 300 250 218 30-3 8-Φ25 674 360
200 600 360 310 278 34-3 12-Φ25 811 400
250 650 425 370 332 36-3 12-Φ30 969 450
300 750 485 430 390 40-4 16-Φ30 1145 580
350 850 550 490 448 44-4 16-Φ34 1280 640
400 980 610 550 505 48-4 16-Φ34 1452 640

ภาพโครงสร้าง

แท็กยอดนิยม: GB Standard Globe Valve, จีน, ปรับแต่ง, คุณภาพ, ทนทาน, ขั้นสูง, ผู้ผลิต, ผู้จัดจำหน่าย, โรงงาน, ในสต็อก
ส่งคำถาม
ข้อมูลติดต่อ
  • ที่อยู่

    No.1, North 1st Road, Stainless Steel New Town, Lecong Steel World West Road, Shunde District, Foshan City, มณฑลกวางตุ้ง, จีน

  • อีเมล

    jinqiufamen@gmail.com

หากมีข้อสงสัยเกี่ยวกับเกทวาล์ว โกลปวาล์ว และเช็ควาล์ว หรือรายการราคา กรุณาส่งอีเมลมาหาเรา แล้วเราจะติดต่อกลับภายใน 24 ชั่วโมง

X
เราใช้คุกกี้เพื่อมอบประสบการณ์การท่องเว็บที่ดีขึ้น วิเคราะห์การเข้าชมไซต์ และปรับแต่งเนื้อหาในแบบของคุณ การใช้ไซต์นี้แสดงว่าคุณยอมรับการใช้คุกกี้ของเรา นโยบายความเป็นส่วนตัว
ปฏิเสธ ยอมรับ